0
0
抗菌熱水專用加壓泵浦
GQCN200B
本系列泵浦加強結構材質使其耐水溫可達90°C,適合安裝於太陽能熱水系統,用以提供系統末端出水增 壓使用,且於泵浦側設有自動洩壓閥,當泵內壓力 值超過5kg/cm²時自動洩壓,以確保使用安全。
產品規格:(熱水專用加壓泵浦)
型式:GQCN200B
馬力(HP): 1/4
頻率(HZ): 60
相數(∮)” 1
電壓(V): 110/220
電流(A): 4.0/2.0
入口徑in(mm): 3/4”
出口徑in(mm): 3/4”
啟動壓力(kg/cm2): 1.6
最大揚程(m): 27
最大水量(L/min): 42
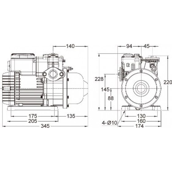
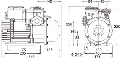
安裝尺寸(mm)(參考圖2)
產品詳細介紹
產品特點
1.迴水噴射式設計: 內部結構設計,可自行調節泵浦內水路內外部壓力差,以達到快速回水順暢排氣。
2.無水雙重保護: 搭載程式控制無水運轉保護,無水時自動停機。
3:電子穩壓設計: 整合了泵浦、馬達、壓力桶及電子控制器的穩壓供水系統。
4.接液部位採用不生銹材質,確保飲用水衛生。
5.具延遲6秒緩停機: 此功能可避免用水時因水量太小造成泵浦啟動停止頻繁的問題。
6.水機身採用符合RoHS規範之抗菌工程塑膠,可抑制部分菌類之滋生,提高用水品質。
7. 馬達裝設有溫度過載保護裝置。
使用條件

環境溫度:Max. +40°C

液體溫度:+4°C~+90°C

工作壓力:Max. 5 kg/cm²

入口壓力:須小於壓力開關啟動值

CN系列自動洩壓閥洩壓壓力:5kg/cm²