0
營造五金
工廠五金
園藝五金
空壓機
工程安全
抽水泵浦
熱銷產品
聯絡我們
0
油壓沖孔機(日-0GURA)
首 頁
油壓沖孔機(日-0GURA)
HPC-18DI
HPC-18DI
HPC-18DI
(電壓110V 730W)
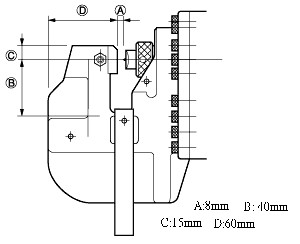
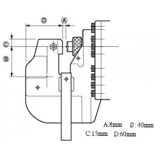
1.自重約:11.8KG
2.最大奧深:40mm 最大孔徑:18mm(鐵)
3.最大孔徑:白鐵約15mm
4.穴型狀:丸穴孔.長穴孔
5.最大厚度:6mm(鐵).白鐵約5mm
6.外型尺寸:437*140*283mm
最大80×t6
最小40×40×t3
最大80×80×t6
最小75×40
最大100×50
繼續選購
立即詢價