0
0
吊車類
CWS-230 ( 230kg )
掛鉤式捲揚機(小金鋼)
(碳刷馬達.輕巧掛鉤型)
主機分:80kg.160kg.230kg.本體鋁合金壓鑄成型.強度高.重量輕.碳刷式馬達.高載重.高效率.並具有過捲及逆捲防止裝置.為一般工廠.建築.鷹架.倉庫進出貨之最佳選擇.
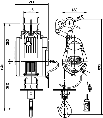
產品規格: (※外型尺寸參考圖2)
型號: CWS-230
吊重-KG: 230
電壓-V(60HZ): 1ø / 220
速度 M/min(最外層): 14
馬力 (W / A): 1300/ 13
揚程 M:24
鋼索直徑/長度(mm / M): 5.0 / 25
淨重/毛重 KG: 15/ 24
適用吊架: CRH-0710