0
營造五金
工廠五金
園藝五金
空壓機
工程安全
抽水泵浦
熱銷產品
聯絡我們
0
吊車類
首 頁
吊車類
CWG-10202H (200kg)
CWG-10202H (200kg)
川方牌吊貨捲揚機(快速型)
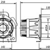
產品規格:
(※外型尺寸參考圖2)
型號:
CWG-10202H
吊重-KG: 200
電壓-V: 1ø / 220
速度 M/min(最底層): 19
速度 M/min(最外層): 28
馬力/極數(HP / P): 1.5 / 4
揚程 M:29
鋼索直徑/長度(mm / M): 6.0 / 30
淨重 KG: 37
適用吊架: CRT-2510A
繼續選購
立即詢價