0
0
壓差式交互並列泵浦
TPH-Xx2(12T)
公寓、住宅、別墅給水、工廠供水、供水系統、飲水系統、RO 水處理、超級市場、汽車旅館、SPA。
產品規格:(壓差式交互並列泵浦)
※(詢價時請在備註欄寫上電壓--謝謝)
   型式 馬力
(HP)
相數
(Ø)
  電壓
  (V)
壓力開關
(kg/cm²) 
並列點
壓力
入口徑
(in.)
出口徑
(in.)
最大揚程
(M)
最大水量
(L/min)
 ON   OFF (kg/cm²) 
 TPH12T2KXx2  2x2  1Ø  220V   1.5   2.5        1       2      3    29    640
 3Ø  220V/380V
 TPH12T3KXx2  3x2  3Ø  220V/380V   2.5   3.5        2      2      3    43    640
 TPH12T4KXx2  5x2  3Ø  220V/380V   3.5   4.5        3      2      3    56    640
產品詳細介紹
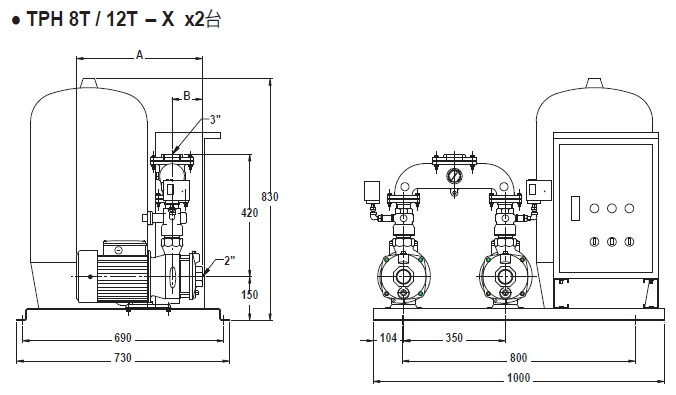
※外形尺寸(mm) 參考圖2
  型式    A    B   壓力桶(L)
 TPH12T2KXx2   375   75       80
 TPH12T3KXx2   435   107       80
 TPH12T4KXx2   435   107       80

使用條件

1. 環境溫度:Max. +40°C

2. 液體溫度:+4°C~+40°C

3. 入口壓力:須小於壓力開關(ON)設定值

產品說明

使用水時,管壓降至壓力開關ON值時,泵浦自行啟動增壓送水;停止用水時,管壓達壓力開關OFF值時,泵浦自動關機。

並列運轉說明

使用時單台啟動,隨使用水量增加,單台運轉無法滿足設定之壓力及使用水量時,第二台自行啟動併入運轉補償,隨水量遞減,單台可以滿足設定之壓力及使用水量時,第二台自動停機。

交互運轉說明

啟動順序可依設定之時間交替運轉。