0
0
電腦變頻恆壓泵浦TPHIC
TPHIC(25T)
適用於公寓、住宅、別墅給水、工廠供水、供水系統、飲水系統、RO水處理 、超級市場、汽車旅館、SPA。
產品規格:(電腦變頻恆壓泵浦)
※(詢價時請在備註欄寫上電壓--謝謝)
型式 馬力 相數 電壓    
恆壓
設定壓力
 
   入水口 出水口 額定揚程  額定水量
(HP)  (Ø) (V) (kg/cm²) (in.) (in.) (M) (L/min)
TPH25T2KIC 5 200-240V / 380-440V  2.0 3 3 20 415
TPH25T3KIC 5 200-240V / 380-440V 3.0 3 3 30 415
TPH25T4KIC 200-240V / 380-440V 4.0 3 3 40 415
TPH25T5KIC 10 200-240V / 380-440V 5.0 3 3 50 415
TPH25T6KIC 10 200-240V / 380-440V 6.0 3 3 60 415
產品詳細介紹
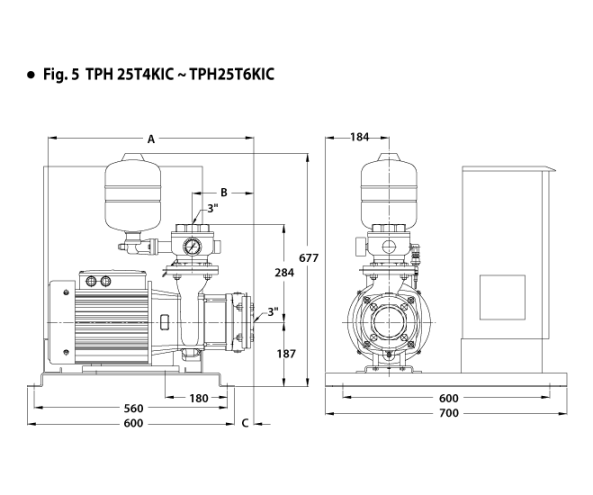
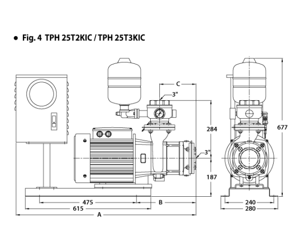
※外形尺寸(mm)
   型式      A     B     C  壓力桶(L)  例圖
 TPH25T2KIC  821  231  118             4       2
 TPH25T3KIC  881  291  178             4       2
 TPH25T4KIC  596  178  57             4       3
 TPH25T5KIC  706  238  117             4       3
 TPH25T6KIC  706  238  117             4       3
使用條件

1. 環境溫度:Max. +40°C
2. 液體溫度:+4°C~+40°C
3. 入口壓力:須小於恆壓設定值
4. 系統壓力:最大10㎏/c㎡
5. 適用液體:不含雜質之清水、乾淨稀薄非腐蝕性之中性液體

產品說明

TPHIC系列電腦變頻恆壓泵浦,用水時馬達平緩啟動,變頻器依壓力感應器回饋感測用水壓力,進而控制馬達運轉頻率,無段改變馬達轉速,使用水壓力穩定維持在壓力設定值。

恆壓穩壓 : 使用時壓力均不會高於壓力設定值,用水量超過恆壓範圍仍保持穩壓供水。

無水斷電 : 水源無水,變頻器將會自動停止供電。

止水停機 : 停止用水時,微電腦自動偵測回傳並控制馬達減速停機。

測漏補償 : 管路洩漏、滴水,微電腦自動偵測並運轉泵浦補償壓力至設定值。

並列運轉 : 使用時單台啟動,隨使用水量增加,單台運轉無法滿足設定之壓力及使用水量時,第二台自行啟動併入運轉補償,隨水量遞減,單台可以滿足設定之壓力及使用水量時,第二台自動停機。