0
0
工業用浸水式泵浦
TPK4T
TPK 系列產品為直立多段離心式泵浦,工業用途,主要專用於工具機之切削液體加壓 泵送,以及其他清洗與過濾系統之應用。
產品規格:(直立浸水式泵浦) ※如需50Hz請來電詢問
  型式  相數
 (Ø)
 頻率
 (Hz)
   電壓
   (V)
 輸出瓦數
 (W)
 輸出安培數
 (A)
 TPK4T3-1B    3   60  200-255 / 380-480   300  1.0 / 0.6
 TPK4T3-3B    3   60  200-255 / 380-480   550  2.2 / 1.2
 TPK4T5-5    3   60  200-255 / 380-480   900  2.7 / 1.6
 TPK4T7-7    3   60  200-255 / 380-480   1000  3.4 / 1.9
 TPK4T8-8    3   60  200-255 / 380-480   1160  3.6 / 2.0
 TPK4T10-10    3   60  200-255 / 380-480   1420  4.7 / 2.6
 TPK4T11-11    3   60  200-240 / 380-440   1450  5.0 / 2.7
 TPK4T12-12    3   60  200-240 / 380-440   1580  5.3 / 2.9
 TPK4T15-15    3   50  200-240 / 380-440   1300  4.4 / 2.8
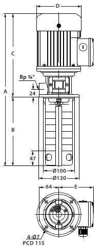
外形尺寸(mm): 參考圖2
  型式  A(mm)  B(mm)  C(mm)  D(mm)  E(mm)  重量.(kg)
 TPK4T3-1B   405   179   226   123   101   8.4
 TPK4T3-3B   449   179   270   144.5   111   11.8
 TPK4T5-5   491   221   270   144.5   111   12.1
 TPK4T19-7   825   515   310   144.5   111   14.8
 TPK4T8-8   594   284   310   144.5   111   13.8
 TPK4T11-10   657   347   310   144.5   111   14.2
 TPK4T11-11   657   347   310   144.5   111   14.3
 TPK4T15-12   741   431   310   144.5   111   14.6
 TPK4T15-15   741   431   310   144.5   111   15.0
產品詳細介紹

產品用途

本公司TPK 系列產品為直立多段離心式泵浦, 工業用途,主要專用於工具機之切削液體加壓 泵送,
以及其他清洗與過濾系統之應用,適用 液體包括水溶性、低黏稠度、中性之冷卻/潤 滑液。

泵浦構造:

直立多段離心式泵浦,浸水式,泵浦與馬達同軸,主要動作部位零件為不銹鋼材質。

馬達

轉速: 3500 / 2900 rpm
頻率: 60 / 50 Hz
電壓範圍: 220V/380V
防護等級: IP54
絕緣等級: F.

使用條件

環境溫度: Max. +40°C
液體溫度: +0°C ~ +90°C 
工作壓力: Max. 10 kg/cm²
浸水高度: Min. 40mm