產品說明
主要專用於工具機之冷卻液體加壓泵送,適用液
體包括水溶液,低黏稠度,無爆炸性輕油,中性
之冷卻/潤滑液。
- 工業循環系統
- 清洗系統
- 過濾系統
產品特點:
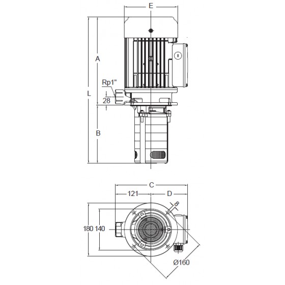
TPHK8T(S)E為多段浸入式離心泵,採浸水式迴水
設計,泵與馬達同軸設計,葉輪安裝在馬達延長
之軸心上,主要動作零件採不鏽鋼結構設計。
防護等級:IP54
絕緣等級:F級
使用條件
環境溫度:Max. +40℃
液體溫度:+0℃ ~ +90℃
工作壓力:Max.10kg/cm²
浸水高度:Min. 40mm
※型號,規格請參考下面(產品詳細介紹)※
