0
0
熱銷產品
川方 H-2500 電動拉線機
川方 H-2500 雙軸型電動拉線機(COMEUP)
(在台歷史最悠久.最穩定的機型)
水電業拉線-最佳之夥伴

(適用於電工配線.管線拉線等工程.)

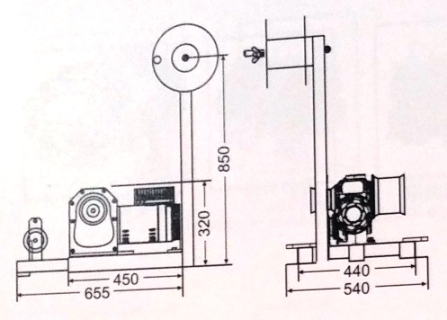
產品特色:(※外型尺寸參考圖2) (※使用圖列參考圖3.圖4)
1. 工作拉力可使用2500KG或1500KG.
2. 採電流過載保護開關.電流異常或過負荷重時.自動斷電.
3. 採電磁式安全剎車.斷電時自動剎車.安全性高.
4. 開關線.電源線採分離式設計.安裝簡便.
5. 適用於一般電工配線.管線拉線等工程.省力迅速.
6. 專業製造.品質精良.效率高.噪音低.
川方 H-2500 雙軸型雙速拉線機:規格表
切 換 速 度 :  高速 : 5M / min  低速 : 3M / min
機 器 拉 力 :  1500 KG (約 30人之拉力)  2500 KG (約 50人之拉力)
馬 達 出 力 :  0.6KW*4P
電 源 選 擇 :  單相 : 110V 或 220V   (60HZ)
減 速 機 構 :  雙曲線齒輪加正齒輪.減速比154:1
運 轉 額 定 :  25% ED
鋼 索 :  8mm * 50M   (收線輪*1組)
標 準 配 件 :  腳踏開關*1組
自重 :  60 KG
毛 重 :  83KG
外 箱 尺 寸 :  610*720*500mm (L*D*H)
產品詳細介紹
使用注意事項: 
1. 本機為拉線專用.嚴禁使用本機直接吊重.
2. 變速前請先確認索輪上無任何負荷,嚴禁使用中變速.
3. 運轉時,索輪為順時針方向旋轉,繩索亦須順時鐘方向捲至索輪.一般最少捲六捲以上.且方向須由內向外捲.
4. 拉線工作時雙手須給予收線輪及繩索拉力.且繩索應於索輪第一圈.並不可重疊.
5. 使用時.底座須以螺栓固定.且工作人員絕不可離開操作現場.
6. 圖檔僅供參考.一切以實品為準.謝謝.