0
0
工業用浸水式泵浦
TPHK8T
TPHK 系列產品為直立多段離心式泵浦, 工業用途,
主要專用於工具機之切削液體加壓 泵送,
以及其他清洗與過濾系統之應用。

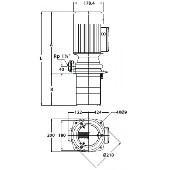
產品規格:(直立浸水式泵浦) ※如需50Hz請來電詢問
  型式 相數
(Ø)
頻率
(Hz)
   電壓s
   (V)
  輸出瓦數
  (W)
   輸出安培數
   (A)
 TPHK8T6-2    3  60  200-255 / 380-480    1650  5.1-4.7 / 2.8-2.9
 TPHK8T3-3    3  60  200-255 / 380-480    2350  7.1-6.4 / 4.0-3.7
 TPHK8T4-4    3  60  200-240 / 380-440   3000  9.3-9.6 / 5.3-5.7
 TPHK8T5-5    3  60  200-240 / 380-440   3900  11.4-12.3 / 6.3-6.5
外形尺寸(mm): 參考圖2
  型式   A(mm)   B(mm)   L(mm)   重量.(kg)
 TPHK8T6-2    369    196.5    565.5    24.0
 TPHK8T3-3    369    94.5    463.5    23.0
 TPHK8T4-4    369    128.5    497.5    27.0
 TPHK8T5-5    369    162.5    531.5    28.0
產品詳細介紹

產品用途

本公司TPHK 系列產品為直立多段離心式泵浦, 工業用途,主要專用於工具機之切削液體加壓 泵送,
以及其他清洗與過濾系統之應用,適用 液體包括水溶性、低黏稠度、中性之冷卻/潤 滑液。

泵浦構造:

直立多段離心式泵浦,浸水式,泵浦與馬達同軸,主要動作部位零件為不銹鋼材質。

馬達

轉速: 3500 / 2900 rpm
頻率: 60 / 50 Hz
電壓範圍: 220V/380V
防護等級: IP54
絕緣等級: F.

使用條件

環境溫度: Max. +40°C
液體溫度: +0°C ~ +90°C 
工作壓力: Max. 10 kg/cm²
浸水高度: Min. 40mm