0
0
工業用多段離心泵浦
TPHP4T

TPHP泵主要應用於工業上:

供水和增壓、空調、水處理、工業清洗、
水產養殖、施肥/計量系統。

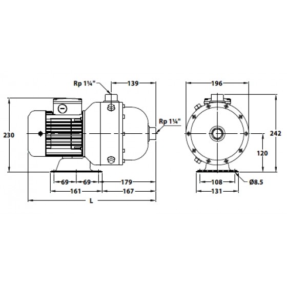
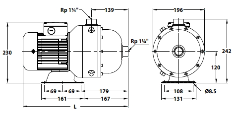
產品規格:(多段離心式泵浦)

  型號  相數(Ø)  頻率(Hz)  電壓(V) 輸出瓦數(W)   輸出安培數(A)
 TPHP4T2K      3    50 200-240 / 380-440     670  2.3-2.5 / 1.4-1.6
   60 200-255 / 380-480     1000  3.1-2.8 / 1.7-1.7
 TPHP4T3K      3    50 200-240 / 380-440     960  3.3-4.1 / 2.0-2.7
   60 200-255 / 380-480     1420  4.4-4.1 / 2.5-2.5
 TPHP4T4K      3    50 200-240 / 380-440     1200  4.0-4.7 / 2.4-3.1
   60 200-255 / 380-480     1800  5.5-5.1 / 3.0-3.0
產品詳細介紹

產品特色:

輸送液體

稀薄,清潔,不含固體顆粒或纖維的非易燃易爆液體。

可泵送如礦泉水、軟化水、純水、清洗液和輕油等液體。
當輸送液體密度和/或粘度比水高時,必須配合更高輸出的馬達使用。
泵是否適用於一個特定的液體取決於一個因素,其中最重要的是氯離子含量、pH值、溫度和溶劑、油等含量。

泵浦構造:

水平多段離心式泵浦,非自吸,泵浦與馬達同軸,葉輪固定於加長之馬達軸心上。

馬達:

1. 防護等級: IP54

2. 絕緣等級: F.

3. 頻率: 50 / 60 Hz

4. 轉速: 2900 / 3500 rpm

5. 電壓範圍:
  3Ø 200-240 / 380-440V 50Hz
  3Ø 200-255 / 380-480V 60Hz

使用條件

環境溫度:Max. +40°C
液體溫度:+0°C ~ +90°C
工作壓力:Max. 10 kg/cm²
入口壓力:Max. 6 kg/cm²