0
0
工業用多段離心泵浦
TPH8T

TPH系列產品為水平多段離心式泵浦,

用途廣泛,適合一般不含雜質之清水及

液體加壓、輸送、循環及機械設備之應用。
產品規格:(水平多段離心式泵浦)

  型號  相數
 (Ø)
 頻率
 (Hz)
 電壓
 (V)
 輸出瓦數
 (W)
 輸出安培數
 (A)
 TPH8T2K    1   60   220   1500   7.0
 TPH8T2.5K    1   60   220   1720   8.7
 TPH8T3K    1   60   220   1970   10.0
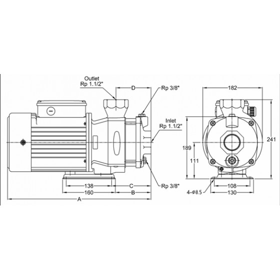
外形尺寸(mm): 參考圖2
  型號  A(mm)  B(mm)  C(mm)  D(mm)  重量(kg)
 TPH8T2K   376.5   77   88   75   18.8
 TPH8T2.5K   408.5   109   120   107   19.5
 TPH8T3K   408.5   109   120   107   20.0
產品詳細介紹

產品用途

本公司TPH系列產品為水平多段離心式泵浦, 用途廣泛,適合一般不含雜質之清水及液體加壓、輸送、循環及機械設備之應用,如: 

1. 工業系統。

2. 清洗系統。

3. 增壓系統。

4. 液體傳送。 

5. 園藝灌溉。

泵浦構造:

水平多段離心式泵浦,泵浦與馬達同 軸,葉輪固定於加長之馬達軸心上,主要動作 部位零件為不銹鋼材質。

馬達:

1. 轉速: 3500 / 2900 rpm

2. 頻率: 60 / 50 Hz

3. 電壓範圍: 220V/380V

4. 防護等級: IP54

5. 絕緣等級: F.

使用條件

1. 環境溫度: Max. +40°C

2. 液體溫度: +0°C ~ +90°C 

3. 工作壓力: Max. 10 kg/cm²

4. 入口壓力: Max. 6 kg/cm²