0
0
工業用多段離心泵浦
TPH4T

TPH系列產品為水平多段離心式泵浦,

用途廣泛,適合一般不含雜質之清水及

液體加壓、輸送、循環及機械設備之應用。
產品規格:(水平多段離心式泵浦)

    型   相數
  (Ø)
  頻率
  (Hz)
  電壓
  (V)
  輸出瓦數
  (W)
  輸出安培數
  (A)
  TPH4T2K     1    60    220    1030    5.3
  TPH4T3K     1    60    220    1500    7.0
  TPH4T4K     1    60    220    1760    8.6
  TPH4T5K     1    60    220    2100    10.0
  TPH4T6K     1    60    220    2600    12.0

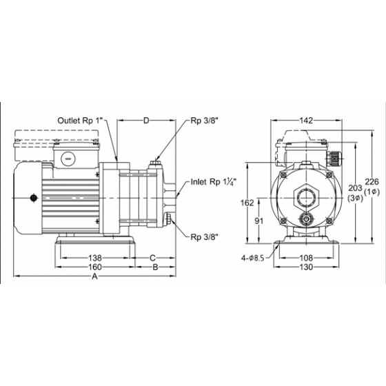
外形尺寸(mm): 參考圖2

  型  A(mm)  B(mm)  C(mm)  D(mm)  重量(kg)
 TPH4T2K   315   72   83   108   11.7
 TPH4T3K   382   99   110   135   13.3
 TPH4T4K   409   126   137   162   14.1
 TPH4T5K   436   153   164   189   14.2
 TPH4T6K   494   180   191   216   16.1
產品詳細介紹

產品用途

本公司TPH系列產品為水平多段離心式泵浦, 用途廣泛,適合一般不含雜質之清水及液體加壓、輸送、循環及機械設備之應用,如: 

1. 工業系統。

2. 清洗系統。

3. 增壓系統。

4. 液體傳送。 

5. 園藝灌溉。

泵浦構造:

水平多段離心式泵浦,泵浦與馬達同 軸,葉輪固定於加長之馬達軸心上,主要動作 部位零件為不銹鋼材質。

馬達:

1. 轉速: 3500 / 2900 rpm

2. 頻率: 60 / 50 Hz

3. 電壓範圍: 220V/380V

4. 防護等級: IP54

5. 絕緣等級: F.

使用條件

1. 環境溫度: Max. +40°C

2. 液體溫度: +0°C ~ +90°C 

3. 工作壓力: Max. 10 kg/cm²

4. 入口壓力: Max. 6 kg/cm²