0
0
工業用多段離心泵浦
TPH2T

TPH系列產品為水平多段離心式泵浦,

用途廣泛,適合一般不含雜質之清水及

液體加壓、輸送、循環及機械設備之應用。
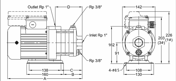
產品規格:(水平多段離心式泵浦)

       型  相數
 (Ø)
 頻率
 (Hz)
 電壓
 (V)
 輸出瓦數
 (W)
 輸出安培數
 (A)
 TPH2T1K     1   60   220   450   2.1
 TPH2T2K     1   60   220   760   4.3
 TPH2T3K     1   60   220   900   4.8
 TPH2T4K     1   60   220   1030   5.3
 TPH2T5K     1   60   220   1300   6.3
 TPH2T6K     1   60   220   1500   7.0
外形尺寸(mm): 參考圖2
  型  A(mm)  B(mm)  C(mm)  D(mm)  重量(kg)
 TPH2T1K   306   63   74   99   11.7
 TPH2T2K   306   63   74   99   11.8
 TPH2T3K   324   81   92   117   11.9
 TPH2T4K   342   99   110   135   12.0
 TPH2T5K   400   117   128   153   13.5
 TPH2T6K   418   135   146   171   13.6
產品詳細介紹

產品用途

本公司TPH系列產品為水平多段離心式泵浦, 用途廣泛,適合一般不含雜質之清水及液體加壓、輸送、循環及機械設備之應用,如: 

1. 工業系統。

2. 清洗系統。

3. 增壓系統。

4. 液體傳送。 

5. 園藝灌溉。

泵浦構造:

水平多段離心式泵浦,泵浦與馬達同 軸,葉輪固定於加長之馬達軸心上,主要動作 部位零件為不銹鋼材質。

馬達:

1. 轉速: 3500 / 2900 rpm

2. 頻率: 60 / 50 Hz

3. 電壓範圍: 220V/380V

4. 防護等級: IP54

5. 絕緣等級: F.

使用條件

1. 環境溫度: Max. +40°C

2. 液體溫度: +0°C ~ +90°C 

3. 工作壓力: Max. 10 kg/cm²

4. 入口壓力: Max. 6 kg/cm²