0
0
抗菌不生銹抽水泵浦
TS3700B
TS_B系列抽水泵浦,適用於一般住家不含雜質之清水加壓、輸送,一般應用如:
- 水循環
- 液體增壓
- 灌溉系統
- 灑水系統
- 清洗系統

產品規格:(不生銹抽水泵浦)
型式: TS3700B
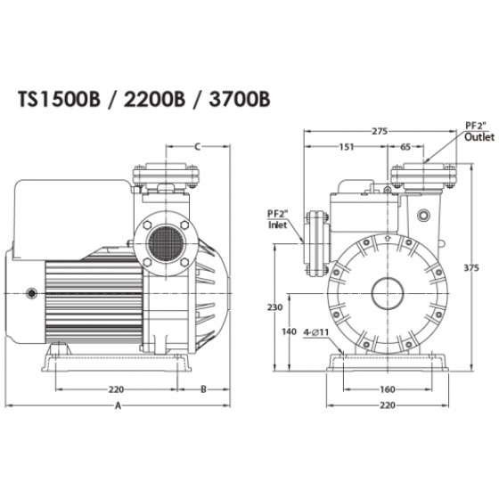
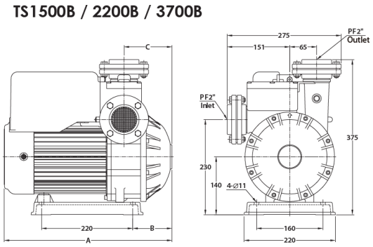
外型尺寸mm(AхBхC):405х95х116(參考圖2)
馬力(KW) 頻率(HZ) 相數(∮) 電壓(V) 電流(A) 入口徑in(mm) 出口徑in(mm) 最大
揚程(m)
最大
水量L/min
重量(kg)
  3.7   60    3   220  13.8     2    2   50   270    29
   3   380  6.8
※(詢價時請在備註欄注明相數及電壓)
產品詳細介紹

產品特點

1. 葉輪採多段離心式設計,使用時安靜低噪音。
2. 水機身採用符合RoHS規範之抗菌工程塑膠,可抑制部分菌類之滋生,提高用水品質。
3. 接液部位採用不生銹材質製成,確保飲用水衛生。
4. 泵浦內置溫度保護開關,防止水源不足時泵浦空轉。當水溫超過55°C時,泵浦自動斷電(TS400B / 800B)
5. TS400B單相馬達裝設有溫度過載保護裝置可防止馬達燒毀。
6. 泵浦抽深6米

使用條件

環境溫度:Max. +40°C
液體溫度:+4°C~+40°C
吸入揚程:Max. 6 m
工作壓力:Max. 8.5 kg/cm²
適用液體:
不含雜質之清水、乾淨稀薄非腐蝕性之中性液體,
亦可用於不含砂質之海水。