0
0
抗菌頂樓順水加壓泵浦
HQC400B

適安裝於頂樓水塔下方,向下增壓用;於用水時打
開水龍頭,加壓泵浦會自動啟動增壓供水,停止用
水時加壓泵浦會自動斷電停止供水。

產品規格:(頂樓順水加壓泵浦)
型式: HQC400B
馬力(KW): 0.37
頻率(HZ): 60
相數(∮)” 1
電壓(V): 110/220
電流(A): 6.0/3.0
入口徑in(mm): 1”
出口徑in(mm): 1”
最大壓力(kg/cm2): 2.6
最大水量(L/min): 80
重量(kg): 8.3
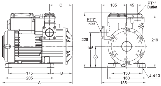
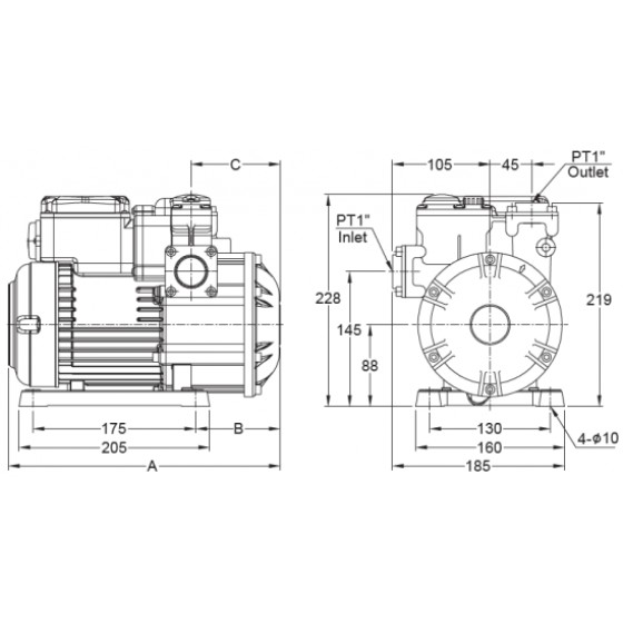
外型尺寸mm(AхBхC):292х91х96(參考圖2)

產品詳細介紹

產品特點

1. 葉輪採用304不鏽鋼多段離心式設計,強度高、能效佳、運轉時安靜低噪音。
2. 水機身採用符合RoHS規範之抗菌工程塑膠,可抑制部分菌類之滋生,提高用水品質。
3. 接液部位採不生銹材質製成,確保飲用水衛生。
4. HQC200B、HQC400B單相馬達裝設有溫度過載保護裝置,可防止馬達燒毀。

使用條件

1. 環境溫度:Max. +40°C
2. 液體溫度:+4°C~+40°C
3. 入口管路:須正壓,負壓泵浦無法運作
4. 出口管路:須低於水源 0.5 米以上
5. 水龍頭出水高於水塔,泵浦無法運作
6. 於水池往上抽,泵浦無法運作