0
0
抗菌電子穩壓加壓泵浦
TP825PTB
本系列加壓機,適用於一般住家不含雜質之清水加壓、輸送,一般應用如:
-公寓、住宅給水
-自動增壓系統
-抽水系統
-飲水系統
-灑水系統
產品規格:(塑鋼不生銹加壓機)
型式: TP825PTB
馬力(KW): 0.37
頻率(HZ): 60
相數(∮)” 1
電壓(V): 110/220
電流(A): 5.2/2.6
壓力開關(kg/cm2): ON:2.0 / OFF:3.0
壓力桶(L): 1
入口徑in(mm): 1”
出口徑in(mm): 1”
最大揚程(m): 38
最大水量(L/min): 42
重量(kg): 7.6
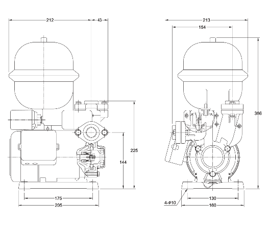
外型尺寸(mm): (參考圖2)
產品詳細介紹

產品特點

1. 水機本體採用工程塑膠整體設計,接液部位為不生銹材質製成。
2. 水機身採用符合RoHS規範之抗菌工程塑膠,可抑制部分菌類之滋生,提高用水品質。
3. 採歐美進口食用容器塑膠原料,確保使用水質安全衛生。
4. 採壓力開關控制,當水壓不足時泵浦自行啟動增壓,水壓足夠時自動停機。
5. 馬達裝設有溫度過載保護裝置可防止馬達燒毀。
6. 內置逆止閥。
7. 可選擇搭配水溫溫度控制開關,可防止吸入水源不足或出水口閉塞時加壓機空轉所造成的機構損壞。

使用條件

環境溫度:Max. +40°C
液體溫度:+4°C~+40°C
吸入揚程:Max. 6 m
入口壓力:須小於壓力開關(ON)之設定壓力