0
營造五金
工廠五金
園藝五金
空壓機
工程安全
抽水泵浦
熱銷產品
聯絡我們
0
抗菌電子穩壓加壓泵浦
首 頁
抗菌電子穩壓加壓泵浦
TQ1500B
TQ1500B
TQ_B系列是整合了泵浦、馬達、壓力桶及電子控制
器的穩壓供水系統,適用於一般不含雜質之清水加
壓,使用時電子控制器依據使用水壓變化,控制加
壓機啟動與停機,以提供穩定的供水。
產品用途:
適用於一般住家不含雜質之清水加壓、輸送
- 公寓住宅給水系統
- 免用屋頂水塔,自動供水系統
- 飲水、生飲系統
- 理容院、超市、透天別墅
產
品規格:
(電子穩壓加壓泵浦)
型號:
TQ1500B
(一般揚程)
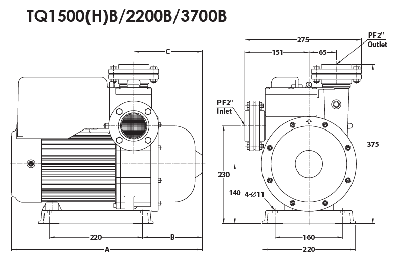
外型尺寸mm(AхBхC):452х142х163
(參考圖2)
馬力(KW)
頻率(HZ)
相數(∮)
電壓(V)
電流(A)
入口徑in(mm)
出口徑 in(mm)
啟動
壓力 kg/cm
2
最大
揚程
(m)
最大
水量 L/min
重量(kg)
1.5
60
1
220
6.5
2
”
2
”
1.6
24
250
28
3
220
4.2
3
380
9.5
※(詢價時請在備註欄注明相數及電壓)
繼續選購
立即詢價
產品詳細介紹
產品特點
1.葉輪採多段離心式設計,使用時安靜低噪音。
2.水機身採用符合RoHS規範之抗菌工程塑膠,可抑制部分菌類之滋生,提高用水品質。
3.接液部位採不生銹材質製成,確保飲用水衛生。
4.無水保護,防止水源不足時泵浦空轉。
5.泵浦抽深6米
使用條件
環境溫度:Max. +40°C
液體溫度:+4°C~+40°C
相對溼度:Max. 85%(RH)
工作壓力:Max. 8.5 kg/cm²
入口壓力:須小於壓力開關啟動值