0
0
抗菌電子穩壓加壓泵浦
TQ800B
TQ_B系列是整合了泵浦、馬達、壓力桶及電子控制
器的穩壓供水系統,適用於一般不含雜質之清水加
壓,使用時電子控制器依據使用水壓變化,控制加
壓機啟動與停機,以提供穩定的供水。

產品用途:
適用於一般住家不含雜質之清水加壓、輸送 
- 公寓住宅給水系統
- 免用屋頂水塔,自動供水系統
- 飲水、生飲系統
- 理容院、超市、透天別墅
品規格:(電子穩壓加壓泵浦)
型式: TQ800B
馬力(KW): 0.75
頻率(HZ): 60
相數(∮)” 1
電壓(V): 110/220
電流(A): 11/5.5
入口徑in(mm): 1”
出口徑in(mm): 1”
啟動壓力(kg/cm2): 2.5
最大揚程(m): 44
最大水量(L/min): 75
重量(kg): 11.6
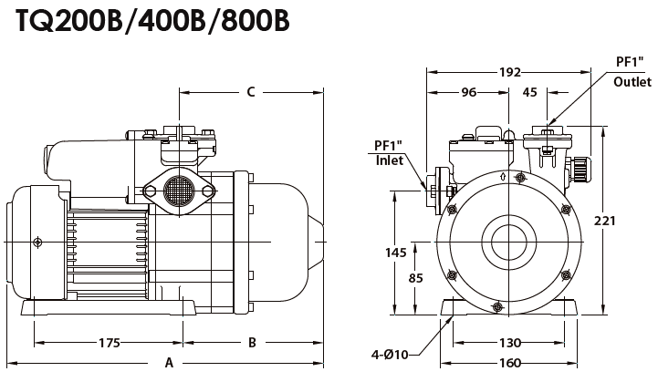
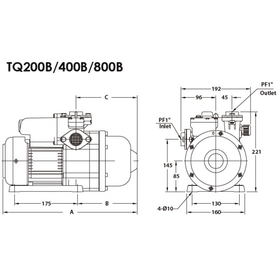
外型尺寸mm(AхBхC):417х164х169(參考圖2) 
產品詳細介紹

產品特點

1.葉輪採多段離心式設計,使用時安靜低噪音。

2.水機身採用符合RoHS規範之抗菌工程塑膠,可抑制部分菌類之滋生,提高用水品質。

3.接液部位採不生銹材質製成,確保飲用水衛生。

4.無水保護,防止水源不足時泵浦空轉。

5.泵浦抽深6米 

使用條件

環境溫度:Max. +40°C
液體溫度:+4°C~+40°C
相對溼度:Max. 85%(RH)
工作壓力:Max. 8.5 kg/cm²
入口壓力:須小於壓力開關啟動值